Copyright ? 2025 無錫新洋設備科技有限公司 版權所有備案號:蘇ICP備16062119號-2
蘇公網安備32028202232883號網站建設:無錫網科
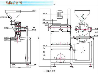
產品特點:本機適用于制藥、化工、食品等行業,是粉碎與吸塵為一體的粉碎設備。
主要用途:本機適用于制藥、化工、食品等行業。
工作原理:本機利用活動齒盤和固定齒盤間的相對運動,使被粉碎物經齒沖擊、摩擦及物料彼此間沖擊而獲得粉碎。粉碎好的物料經旋轉離心力的作用,自動進入捕集袋,粉塵由吸塵箱經布袋過濾回收。整機用不銹鋼材料制造,生產過程中無粉塵飛揚。且能提高物料的利用率,降低企業成本。
